/   Polskie

图片展示

RCD系列贸易结算式热量表



  产品特点:


智能互联

 ■  支持 CJ/T 188  要 求、MODBUS RTU 及 GB/T 26831 等通讯协议,兼容 NOWA 协议。

 ■  支持光学接口、RS485、M-Bus、4-20mA 、无线 (NB-IoT、LoRa)等通讯方式。

 

技术优势

 ■  声道异常自动切换算法,保证设备正常运行。

 ■  采用“扁腔”专利技术,提高精度、稳定性,降低对 直管段要求。

 ■  液晶显示分区,实时显示数据、报警信息、主存储数 据,仪表破坏后仍可显示最后累计数值。

 ■  支持体积流量、质量流量单位选择。

 ■  支持四线测温,更精准。

 ■  防爆型一体化设计,运行更可靠。

 ■  可存储 15 条年数据、36 条月数据和 480 条日数据。

 

持久续航

 ■  内置大容量 3.6V 锂电池,续航能力强。

 

便捷安装

 ■  无需区分供回水安装, 自动切换供回水的计量方式。



  技术参数:


常用流量:最小流量 qp/qi

100:1(50:1 或 250:1 可选)

声道

双声道

流量最大读数

DN50-DN100:9999999.9 m³(T),DN125-DN300:99999999m³(T)

热量最大读数

DN50-DN100:99999.999 MW·h,DN125-DN300:999999.99 MW·h

准确度等级

2 级

压力损失(kPa/qp)

DN50-DN100:< 18 ,DN125-DN300:< 10

最大工作压力

1.6MPa(2.5MPa 可定制)

热耗计算

默认 0.25K 开始

防护等级

IP68

温度范围

(0 ~ 95)℃((0 ~ 150)℃可定制)

温差范围

(2 ~ 90)K((2 ~ 120)K 可定制)

环境类别

B 类(-25 ~ 55)℃(A、C、D 类可定制)

供电电源

3.6V 锂电池

电池工作时间

≥8 年

安装方式

任意角度

温度传感器

Pt1000 铂电阻





















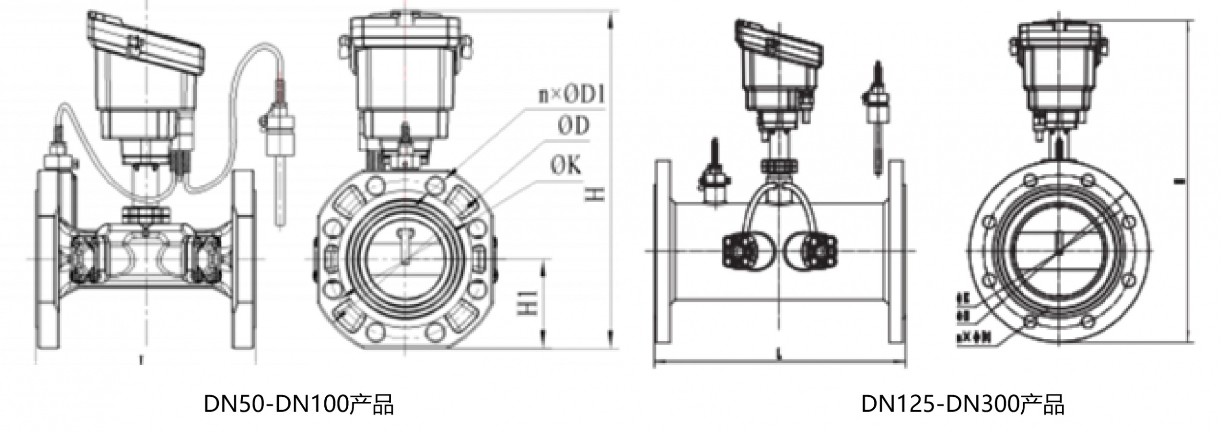
外形尺寸及流量参数:











公称直径
(mm)

外形尺寸(㎜)

重量

(kg)

最大流量

qs(㎥/h)

常用流量

qp(㎥/h)

L

D

H

H1

K

n×D1

DN50

200

165

300

60

125

4×Φ18

8

30

15

DN65

200

185

310

68

145

4×Φ18

9

50

25

DN80

225

200

335

90

160

8×Φ18

12

80

40

DN100

250

220

350

100

180

8×Φ18

14.5

120

60

DN125

350

250

444

125

210

8×Φ18

21

200

100

DN150

300

285

474

130

240

8×Φ22

26

300

150

DN200

350

340

532

170

295

12×Φ22

34

500

250

DN250

400

405

592

203

355

12×Φ26

50

800

400

DN300

450

460

645

230

410

12×Φ26

68

1200

600


RCD系列贸易结算式热量表
用于贸易结算,数据永不丢失
长按识别二维码查看详情
长按图片保存/分享

    销售电话:0631-5758749/18006308885(水表)  5684198(热表)         地址:山东省威海市环翠区火炬南路576号

COPYRIGHT © 1993-2021 KY平台 版权所有  鲁公网安备 37100302000295号   鲁ICP备11009150号-1     技术支持:商易网络  本站支持IPV6

添加微信好友,详细了解产品
使用企业微信
“扫一扫”加入群聊
复制成功
添加微信好友,详细了解产品
我知道了